中国供销合作社 中国茶叶流通协会
中文 | English
首页 关于协会 党建引领 资讯中心 信息发布 专项活动 标准建设 调查推选

总社要情

更多 >>
1
总社举办树立和践行正确政绩观学习教育读书班 2026-03-18
2
总社召开党组(扩大)会议传达学习习近平总书记在全国两会期间的重要讲话精神和全国两会精神 2026-03-14
3
总社召开全面从严治党暨警示教育会 2026-03-02
4
中华全国供销合作总社与中国建设银行签署战略合作协议 2026-02-28
5
总社党组部署开展树立和践行正确政绩观学习教育工作 2026-02-28
6
总社召开2025年度总结表彰会 2026-02-12
首页 关于协会 党建引领 资讯中心 信息发布 专项活动 标准建设 调查推选

总社要情

更多 >>
1
总社举办树立和践行正确政绩观学习教育读书班 2026-03-18
2
总社召开党组(扩大)会议传达学习习近平总书记在全国两会期间的重要讲话精神和全国两会精神 2026-03-14
3
总社召开全面从严治党暨警示教育会 2026-03-02
4
中华全国供销合作总社与中国建设银行签署战略合作协议 2026-02-28
5
总社党组部署开展树立和践行正确政绩观学习教育工作 2026-02-28
6
总社召开2025年度总结表彰会 2026-02-12

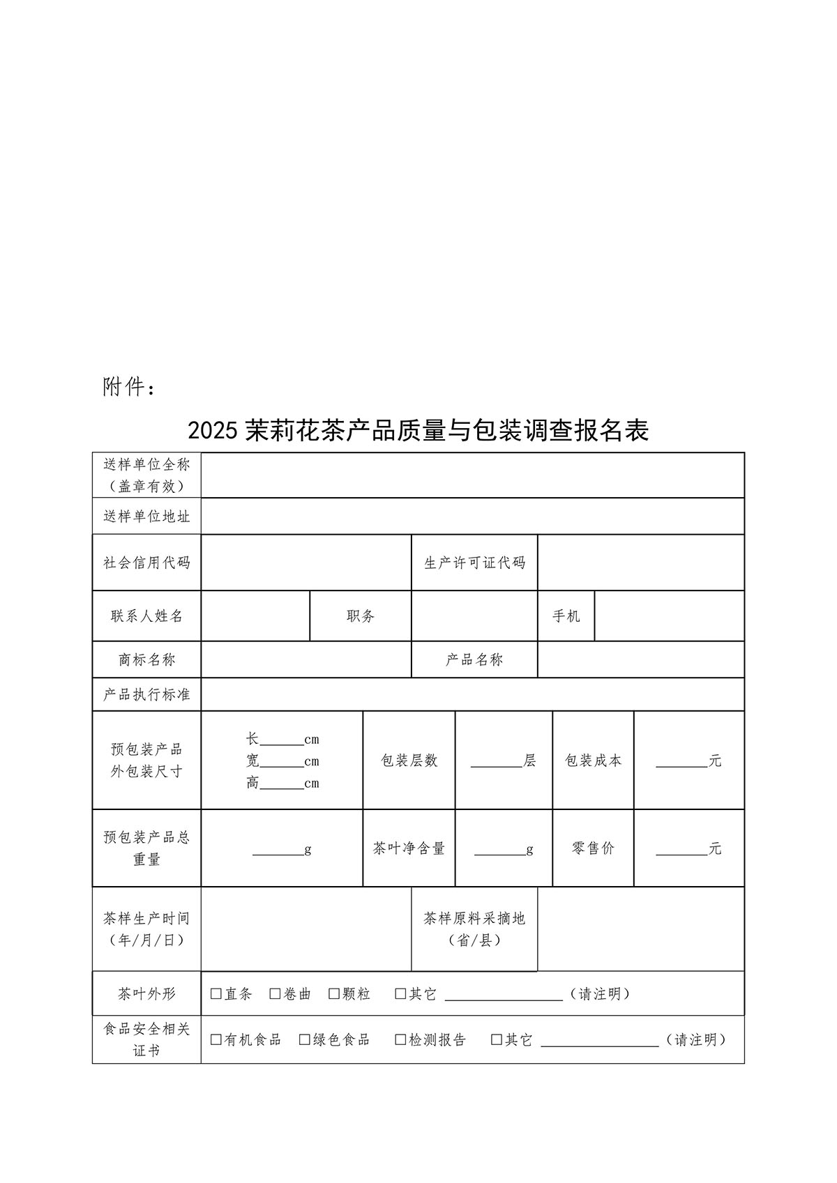
关于邀请参加2025茉莉花茶产品质量与包装调查的通知

发布日期:2025-08-07 字体:缩小增大

  • 本文分类:协会通知
  • 本文标签:无
  • 浏览次数:1994 次浏览
  • 上一篇 > 关于开展2025“国茶人物”制茶系列调查工作的通知
  • 下一篇 > 关于中国茶叶流通协会国际交流与合作工作委员会换届筹备工作的通知

推荐

1
《茶业观光工厂综合评价规范》团标编制正式启动 引领茶旅融合高质量发展
2
中茶协应邀出席建阳白茶文化探源之旅活动
3
2026宁德市茶产业发展大会暨坦洋工夫新茶纪活动成功举办
4
中茶协应邀出席2026贵州早春茶产销对接会
5
中茶协应邀出席2026贵州省春茶碾抹茶产销分析会
6
【青年茶人说】苏广思:茶路逐梦二十三载,从懵懂少年到茶香使者
7
茶旅兴农·产业振兴——第七届茶旅大会开幕
8
中国茶叶流通协会会员服务日暨安吉白茶品鉴会在安吉召开
9
早春第一缕 世界共茶香——2026年宜宾早茶产销对接会在屏山盛大举行
10
智启茶产业新篇 赋能高质量发展——中国茶叶流通协会受邀出席川红金叶智能化工厂投产仪式
11
聚力联动,链通未来:中国茶叶流通协会助力供销集团开启茶叶供应链新篇章
12
中国茶叶流通协会茶旅工作委员会二届二次会议召开

标签

杨选寿 诏安单丛 老茶 代表委员 龙献文 先进集体 甘茶 澜沧江 罗祖新 产品与包装专项调查 赣州市茶叶产业协会 云鼎 李晓军 侵权 2024广西春茶暨昭平有机茶开采系列活动启动仪式 吉安 济南茶叶批发市场 汉中市 新春祝福 中国贵州茶叶交易中心 茶习俗 独芽 宋祖林 九江市 美团 茶器 古茗 天颐茶品 北川苔子茶

下载

官方服务平台 申请入会 会员服务 账户信息 联系我们
微信公众号

请扫码关注
视频号

请扫码关注
抖音号

请扫码关注
微博

请扫码关注
今日头条

请扫码关注

账户信息

单位名称 中国茶叶流通协会
单位地址 北京市复兴门内大街45号
单位电话 010-66094142
开户银行 中国银行北京中银大厦支行
开户账号 3389 6682 0074
纳税人识别号 5110000050000813XK
  • 关于我们
  • 用户协议
  • 用户中心
中国茶叶流通协会 版权所有 未经授权请勿转载任何图文或建立镜像 Copyright © 2026 All rights reserved. 中国茶叶流通协会
客服邮箱:teaworld@126.com Copyright © 2000-2026 All rights reserved
京ICP备:05030750号 京公网安备:110102000561